您好,欢迎来到常州市利君干燥工程有限公司官方网站!

产品展示

以质量求生存,以信誉求发展

RLY系列燃油热风炉
产品概述:

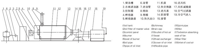
RLY系列燃油热风炉的燃油通过燃烧器燃烧,产生高温燃气。并借助具有强化换热措施的热风炉将高温燃气的热量传导给被加热的空气,高温燃气经热量散发后温度降低至250℃后排到大气中。

24小时服务热线
联系人:何先生
手 机:18112510676
邮 箱:sales@lijungz.com

 

工作原理
  燃料通过燃烧器燃烧,产生高温燃气。并借助具有强化换热措施的热风炉将高温燃气的热量传导给被加热的空气,高温燃气经热量散发后温度降低至250℃后排到大气中。需加热的空气通过选配的鼓风机强送入热风炉,吸热后温度升至额定值从热风出口处送出,当热风温度达到额定温度上限时,燃烧器会自动停止燃烧或自动转为小火焰燃烧,当热风温度降低到额定下限温度时,燃烧器又会重新点燃运行或转为大火燃烧,升温的速度可以调节进风阀的开度来实现。

1668586461225100.jpg

1668586469339732.jpg


型号燃烧器型号燃油量kg/h供热量104kcal/h外形尺寸L×W×Hmm热风口L×Wmm总重kg
RLY1RIELLO.G3/DL3FS1.3-1.611200×1200×1600Φ200460
RLY4RIELLO.G10/DL10FS5-6.541700×1300×1600Φ250850
RLY10RIELLO.G20/DL23FS13-16102300×1568×1870Φ3002200
RLY20RIELLO 1G/DL34FS26-32202800×1568×1870Φ4002670
RLY30RL50/DL55FT39-48303400×1568×1870Φ4503060
RLY40RL70/DL75FT52-64404440×1768×2070Φ5505600
RLY60RL100/DL100FT78-96605140×1868×2070Φ6008460
RLY100PRESS 4G/DL 120FT130-1401006440×2480×2300550×60012800
RLY160P300/DL250FT200-2701607470×2920×3480750×90015780
RLY200P300/DL300FT260-3002008175×2920×3480750×90018500
RLY360G1510480-6203609300×2920×348021000


上一页:XSG系列旋转闪蒸干燥机
下一页:SMH系列隧道式热风烘箱
版权所有:常州市利君干燥工程有限公司 苏ICP备2022016832号 网站地图
咨询电话:0519-85800178| 手机:18112510676| 地址:常州经济开发区横山桥镇星辰工业集中区星辰15组王家村30号| 电子邮箱:sales@Lijungz.com
Top